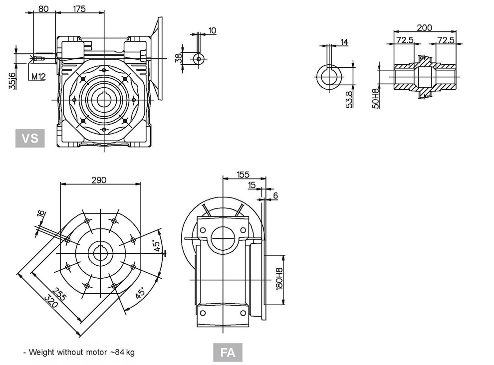
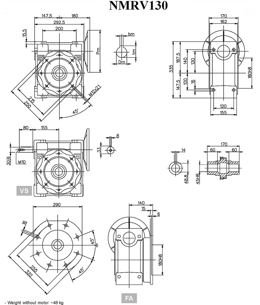
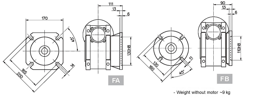
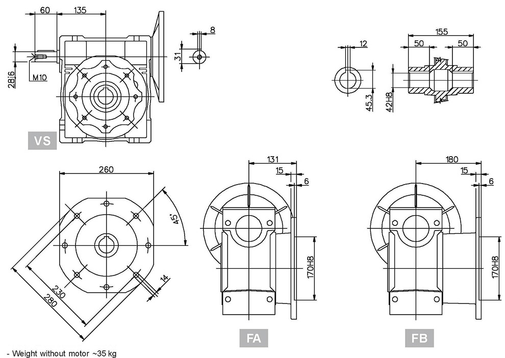
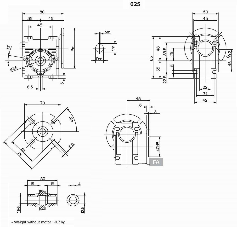
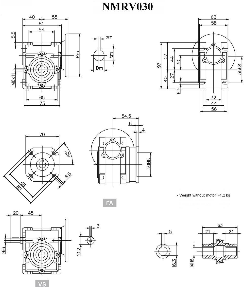
1、优质铝合金铸造,重量轻,不生锈。2、输出扭矩大。3、传动平稳,噪音小。4、散热效率高。5、美观耐用,体积小。6、可适应全方位安装。NMRV外型尺寸 (NMRV Dimensions) 扭力臂位置(Position of torque arm)输出法兰位置 (Position of output flange)输出轴位置 (Position of output sh
1、优质铝合金铸造,重量轻,不生锈。
2、输出扭矩大。
3、传动平稳,噪音小。
4、散热效率高。
5、美观耐用,体积小。
6、可适应全方位安装。





服务热线
